1 / 5
| Customization: | Available |
|---|---|
| Type: | Water Cyclone |
| Voltage: | 380V |
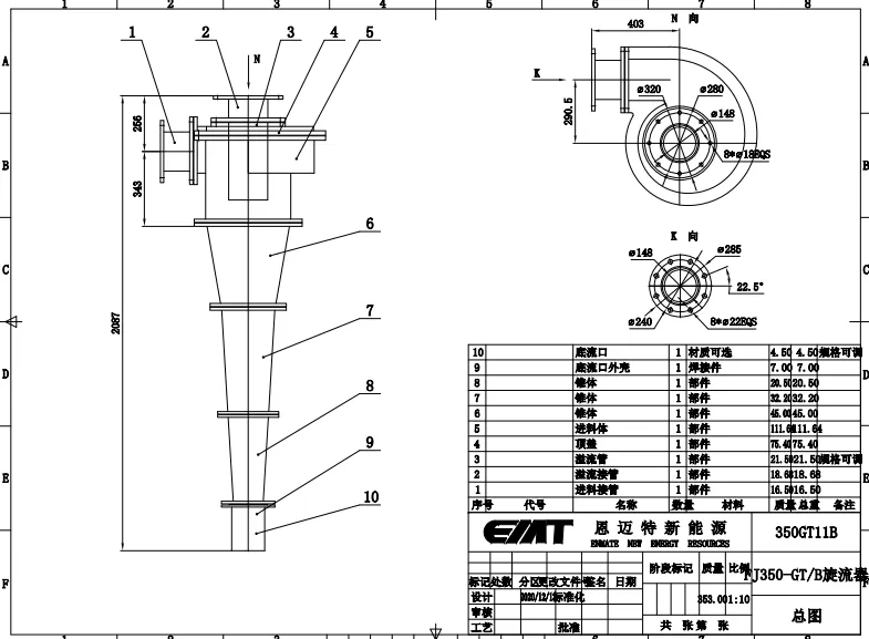
High-efficiency hydrocyclone is a kind of classification equipment which uses centrifugal force to accelerate the sedimentation of ore particles, and is widely used in mining, chemical industry, water treatment and other industries.


The working principle of high-efficiency hydrocyclone is based on the centrifugal force principle in fluid mechanics. Under pressure, pulp enters the shell tangentially, rotating at high speed. Coarse or dense particles are pushed to the periphery and discharge through the bottom grit port. Fine or low-density particles move toward the center and upward, discharging through the overflow pipe.
| Model | Inner Diameter (mm) | Max Feeding Strength (mm) | Inlet Pressure (MPa) | Capacity (m³/h) | Separation Size (mm) |
|---|---|---|---|---|---|
| 100 | 100 | 1 | 0.05-0.4 | 1-12 | 10-100 |
| 125 | 125 | 1 | 8-15 | 20-100 | |
| 150 | 150 | 1.5 | 11-20 | 30-74 | |
| 200 | 200 | 2 | 25-40 | 30-100 | |
| 250 | 250 | 3 | 40-65 | 40-100 | |
| 300 | 300 | 5 | 45-90 | 40-150 | |
| 350 | 350 | 6 | 0.03-0.4 | 60-105 | 50-150 |







Xingli Industrial Ceramics